• Milling Main Spindle Head-SH80I-NT50 (FB75)

Milling Main Spindle Head-SH80I-NT50 (FB75)


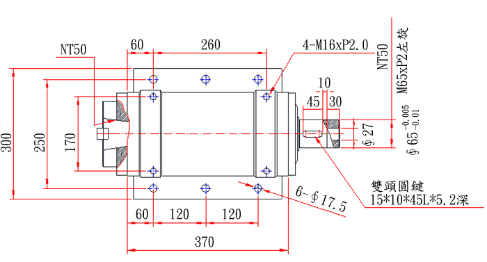
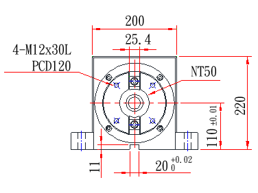
SH80I-NT50
SH80H-FB75
SH80H-NT50

sh-4_1.gif


sh-4_2.gifsh-4_3.gifsh-4_4.gif

Accuracy Lubrication Max. HP Fixing bolt
Spindle end run out 0.005mm Grease 7.5 HP 4-M16 x 65L

Model Bearing Max. RPM Weight (kg) Temperature rising
SH80-NT50 32016/6016 × 2 1500 115 20°C
SH80-FB75 32016/6016 × 2 1500 115 20°C
SH80(H)-NT50 7016 × 4 3300 115 15°C
SH80(H)-FB75 7016 × 4 3300 115 15°C

Related Products

Milling Main Spindle Head-SH50I
Detail

Milling Main Spindle Head-SH50I

Milling Main Spindle Head-SH30I/SH40I
Detail

Milling Main Spindle Head-SH30I/SH40I

Milling Main Spindle Head-MT3/MT4
Detail

Milling Main Spindle Head-MT3/MT4

Milling Main Spindle Head-SH30/SH40/SH50
Detail

Milling Main Spindle Head-SH30/SH40/SH50