Power H Type Slide Table-STC
- Material:over FC-30
- Precision:0.01MM(300L)
- Feature :The sliding surfaces are treated by Heat-treatment & precision grind.
* Optional accessories : Hand wheel.
STC-20/STC-25/STC30/STC-40/STC-50
Unit:mm
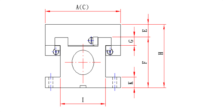
| Model |
Table surface A x B |
Base area C x D |
E | F | G | K | I | H |
Hydraulic |
Weight(kg) |
|---|---|---|---|---|---|---|---|---|---|---|
| STC-2040 | 200 × 300 | 200 × 400 | 30 | 120 | 20 | 25 | 120 | 150 | Ø58 | 48 |
| STC-2050 | 200 × 300 | 200 × 500 | 30 | 120 | 20 | 25 | 120 | 150 | Ø58 | 52 |
| STC-2060 | 200 × 300 | 200 × 600 | 30 | 120 | 20 | 25 | 120 | 150 | Ø58 | 58 |
| STC-2070 | 200 × 300 | 200 × 700 | 30 | 120 | 20 | 25 | 120 | 150 | Ø58 | 64 |
| STC-20130 | 200 × 300 | 200 × 1300 | 30 | 120 | 20 | 25 | 120 | 150 | Ø58 | 95 |
| STC-2552 | 250 × 360 | 250 × 520 | 35 | 127 | 25 | 28 | 150 | 162 | Ø62 | 90 |
| STC-2567 | 250 × 420 | 250 × 670 | 35 | 127 | 25 | 28 | 150 | 162 | Ø62 | 95 |
| STC-2575 | 250 × 420 | 250 × 750 | 35 | 127 | 25 | 28 | 150 | 162 | Ø62 | 110 |
| STC-3042 | 300 × 300 | 300 × 420 | 35 | 127 | 25 | 28 | 200 | 162 | Ø62 | 100 |
| STC-3056 | 300 × 360 | 300 × 560 | 35 | 127 | 25 | 28 | 200 | 162 | Ø62 | 120 |
| STC-3067 | 300 × 420 | 300 × 670 | 35 | 127 | 25 | 28 | 200 | 162 | Ø62 | 130 |
| STC-3050 | 300 × 350 | 300 × 500 | 39 | 149 | 27 | 28 | 212 | 188 | Ø62 | 98 |
| STC-3070 | 300 × 350 | 300 × 700 | 39 | 149 | 27 | 28 | 212 | 188 | Ø62 | 120 |
| STC-3080 | 300 × 350 | 300 × 800 | 39 | 149 | 27 | 28 | 212 | 188 | Ø62 | 135 |
| STC-30100 | 300 × 350 | 300 × 1000 | 39 | 149 | 27 | 28 | 212 | 188 | Ø62 | 145 |
| STC-30120 | 300 × 350 | 300 × 1200 | 39 | 149 | 27 | 28 | 212 | 188 | Ø62 | 175 |
| STC-30150 | 300 × 350 | 300 × 1500 | 39 | 149 | 27 | 28 | 212 | 188 | Ø62 | 188 |
| STC-30200 | 300 × 350 | 300 × 2000 | 39 | 149 | 27 | 28 | 212 | 188 | Ø62 | 330 |
| STC-30220 | 300 × 350 | 300 × 2200 | 39 | 149 | 27 | 28 | 212 | 188 | Ø62 | 360 |
| STC-4070 | 400 × 500 | 400 × 700 | 40 | 160 | 30 | 35 | 294 | 200 | Ø72 | 205 |
| STC-40100 | 400 × 500 | 400 × 1000 | 40 | 160 | 30 | 35 | 294 | 200 | Ø72 | 245 |
| STC-40130 | 400 × 500 | 400 × 1300 | 40 | 160 | 30 | 35 | 294 | 200 | Ø72 | 285 |
| STC-40160 | 400 × 500 | 400 × 1600 | 40 | 160 | 30 | 35 | 294 | 200 | Ø72 | 325 |
| STC-40200 | 400 × 500 | 400 × 2000 | 40 | 160 | 30 | 35 | 294 | 200 | Ø72 | 380 |
| STC-50120 | 500 × 600 | 500 × 1200 | 50 | 170 | 35 | 35 | 370 | 220 | Ø90 | 450 |
| STC-50150 | 500 × 600 | 500 × 1500 | 50 | 170 | 35 | 35 | 370 | 220 | Ø90 | 520 |