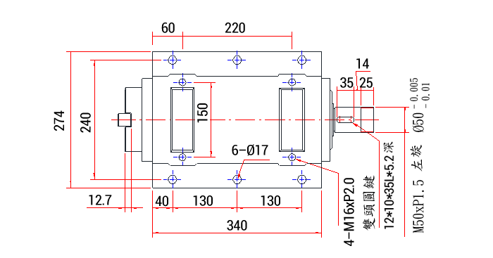
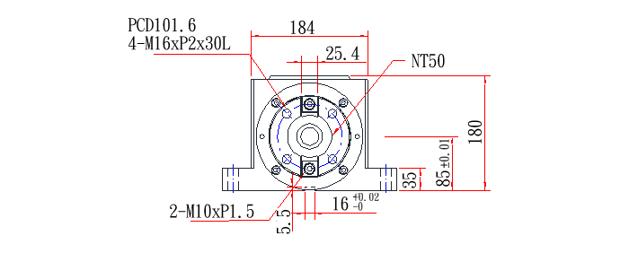
Milling Main Spindle Head-SH50I
SH50I-NT50 / SH50H-NT50

| Accuracy | Lubrication | Max. HP | Fixing bolt |
|---|---|---|---|
| Spindle end run out 0.005mm | Grease | 7.5 HP | 4-M16 x 65L |
| Model | Bearing | Max. RPM | Weight (kg) | Temperature rising |
|---|---|---|---|---|
| SH50I | 32015/6015 × 2 | 2000 | 85 kg | 20° |
| SH50I | 7015-4 | 3600 | 85 kg | 15° |