Vertical Dovetail Slide Table-STD
A.Material:FC-30
B.Precision://∟0.015MM(300L)
B.Precision://∟0.015MM(300L)
C.Feature:The sliding surfaces are treated by Heat-treatment & precision grind.
![]()
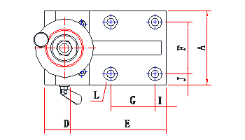
| Model | A | B | C | D | E | F | G | H | I | J | K | L | Weight(kg) |
|---|---|---|---|---|---|---|---|---|---|---|---|---|---|
| STD-100 | 100 | 255 | 150 | 35 | 130 | 70 | 60 | 134 | 15 | 15 | 26 | Ø11 × 4 | 14 |
| STD-130 | 130 | 265 | 165 | 40 | 135 | 100 | 60 | 134 | 20 | 15 | 28 | Ø11 × 4 | 18 |
| STD-150 | 150 | 385 | 200 | 40 | 185 | 110 | 90 | 165 | 20 | 20 | 35 | Ø13 × 4 | 34 |
| STD-200 | 200 | 510 | 250 | 60 | 212 | 160 | 130 | 165 | 20 | 20 | 40 | Ø17 × 4 | 67 |
| STD-2075 | 200 | 750 | 250 | 60 | 212 | 160 | 130 | 165 | 20 | 20 | 40 | Ø17 × 4 | |
| STD-250 | 250 | 600 | 300 | 60 | 280 | 200 | 160 | 190 | 25 | 25 | 40 | Ø17 × 4 | 115 |